Registrace

BLUM 79A9658.T CLIP TOP závěs 45° polonaložený

Neohodnoceno
Dostupnost Skladem
Můžeme doručit do:
21.5.2026
Možnosti doručení
Kód: KA-79A9658.T
BLUM 79A9658.T CLIP TOP závěs 45° polonaložený
Neohodnoceno
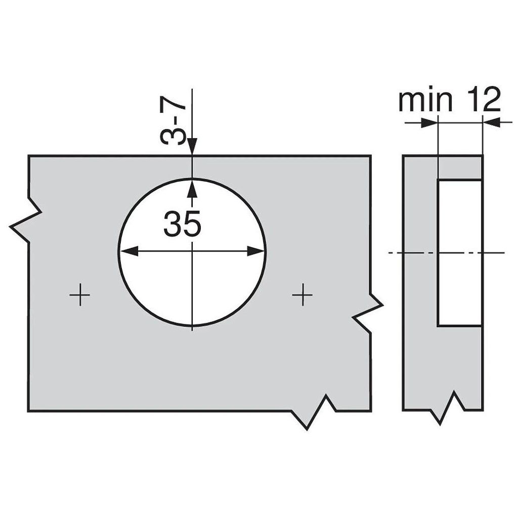
- pro rohové skříňky s vloženými čely
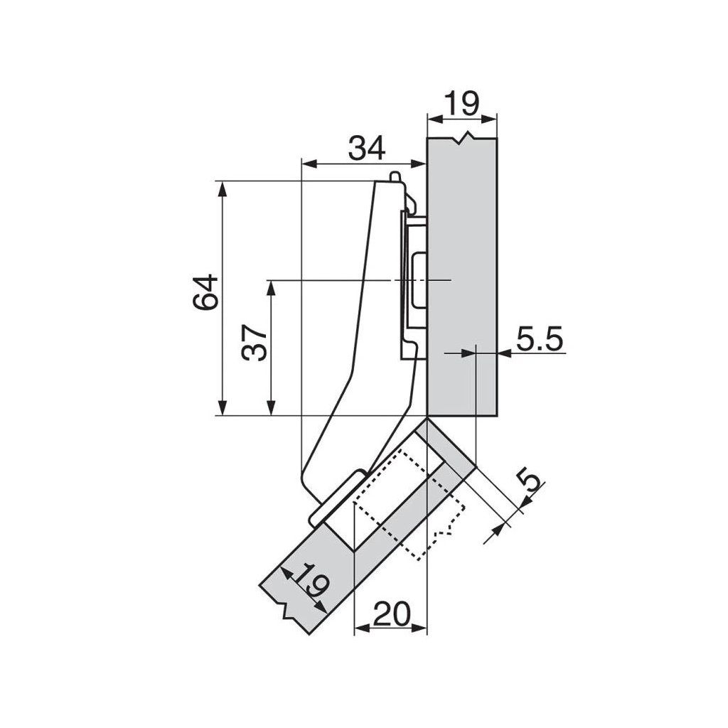
- úhlový závěs 45°
- úhel otevření 95°
- podložka na vrut- 173H7100
- tlumič dorazu- 973A7480
- celokovový závěs, poniklovaný
- s komfortním nastavením hloubky šnekovým závitem
- se zavírací pružinou
- montáž a demontáž dvířek na korpus bez nářadí
- nastavení ve 3 rozměrech

Doplňkové parametry

Kategorie: bez integrovaného tlumení
Montáž do korpusu: Vrut
Úhel otevření závěsu: 45°

Diskuze

Buďte první, kdo napíše příspěvek k této položce.

Nevyplňujte toto pole:

Bezpečnostní kontrola

Podobné produkty

Zákaznický portál
HODNOCENÍ